Оборудование для решения Ваших задач

ООО «ИКР ПРОДЖЕКТ»

В наличии

Насос циркуляционный с мокрым ротором DAB BPH 180/360.80 T

149 169 

*Цена на товар не окончательная.
Для получения актуальной цены оставьте заявку и мы подготовим для вас максимально выгодное коммерческое предложение

Циркуляционный 3-х скоростной насос с мокрым ротором для ГВС и Отопления. 

Максимальный напор 18 м.в.с.

Максимальный расход 55 м3/ч.

Трехфазный 3 ~ 400 V. 

Присоединение, фланец ДУ 80.

Температура жидкости -10°C до +120°C.

Степень защиты: IP44.

Макс. рабочее давление: 10 бар (1000 кПа).

BPH от DAB — это циркуляционные насосы с мокрым ротором. Они предназначены для циркуляции воды в бытовых и коммерческих системах кондиционирования и отопления. 

Корпус насоса: Чугун 200 UNI ISO 185
Рабочего колеса: Технополимер B
Вал мотора: AISI 420 C сталь
Кожух мотора: алюминиевый сплав
Пробка для выпуска воздуха: Латунь P Cu Zn40 Pb2 UNI 5705
Уплотнительное кольцо: Синтетический каучук (EPDM)
Кожух статора: AISI 321Bon. — AISI 304
Кожух мотора: AISI 321Bon. — AISI 304
Закрытый фланец: Чугун 200 UNI ISO 185
Обойма упорного кольца: AISI 304L
Подшипники: Графит EC 941

Изготовитель DAB
Главная категория 3-фазный,
Исполнение 3 PH DM STD
Частота, n полюсов 50 Hz — 2-полюсный
Электродвигатель P1 MAX 2870 W T (2,152 kW)
Степень защиты IP 44
Электропитание 400 V

Детали

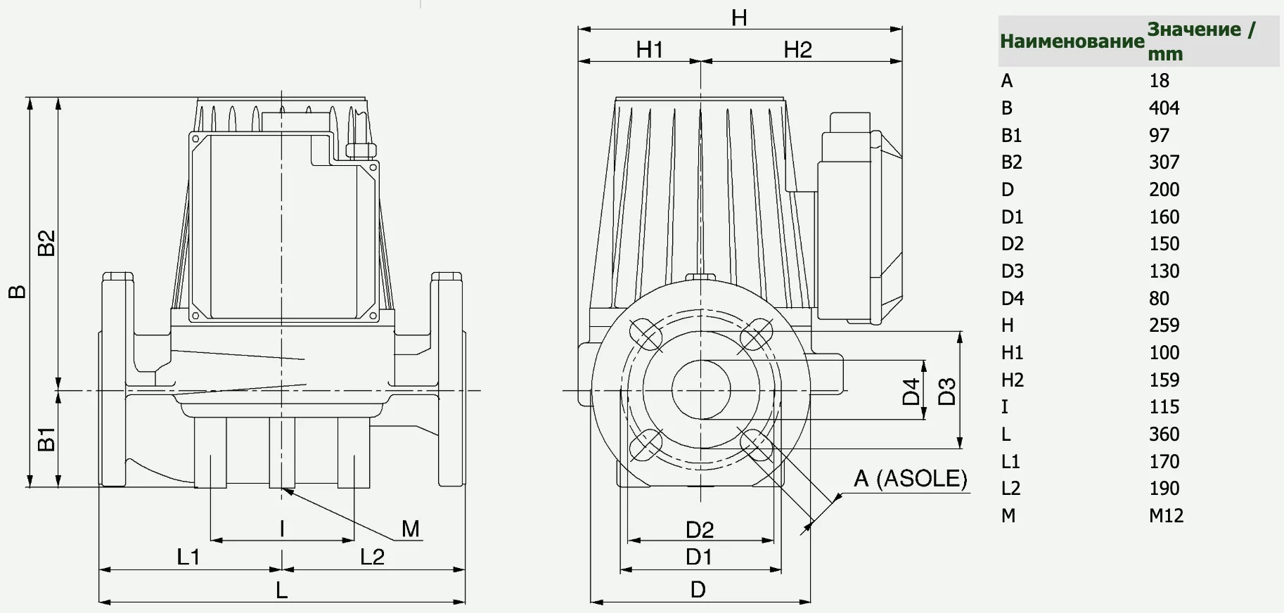
Вес

40 кг.

Межфланцевое расстояние

360 мм.

Высота

404 мм.

Ширина

200 мм.

С ГОРИЗОНТАЛЬНЫМ ВАЛОМ ДВИГАТЕЛЯ на подающей или обратной трубе, всасывающим патрубком как можно ближе к расширительному баку, выше максимального уровня котла и как можно дальше от отводов, поворотов и соединений, для предотвращения турбулентности воды и повышенного шума.

Оставить заявку

Получите консультацию у технического специалиста

Центр поддержки клиентов

Адрес: 115114, г Москва, Даниловский р-н, 1-й Кожевнический пер, д. 10

Оформление заявки

Оставьте заявку и мы перезвоним Вам в течение нескольких минут!